型號:DPCR-23-R
品牌:Optilab
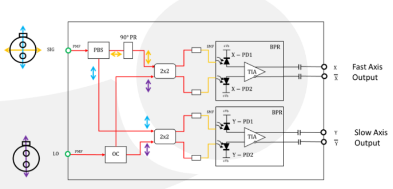
DPCR-23-R是機架安裝形式的雙偏振相干光接收器(DPCR),專為相干信號檢測而設計。 這個統包解決方案系統使用所有光纖組件,光纖長度精確匹配,以最大限度地減少不同路徑之間的偏斜。DPCR具有偏振保持輸入和極低的偏振串擾,是偏振復用相干信號檢測的理想選擇。
功能結構圖
| DPCR-23-R | 雙偏振相干接收機 | 主要參數規格 |
| 工作波長范圍 | 1530 to 1570 nm |
| 差分轉換增益 | 1500 V/W min, 2000 V/W typ. |
| 電光帶寬 | 20 GHz min. |
| 插入損耗, 信號至接收 | 5 dB max, 4 dB typ. |
| 插入損耗, 本振至接收 | 8 dB max, 7.2 dB typ. |
| 偏振串擾, SIG | ≥ 30 dB |
| 偏振串擾, LO | ≥ 40 dB |
| 最大輸入功率 | +6 dBm |
| Skew | 10 ps max |
| 信號及本振輸入光纖 | Corning PM15-U25D Panda Fiber |
| 信號及本振輸入連接器 | FC/APC, key aligned to slow axis |
| 工作模式 | MGC or AGC |
| 射頻輸出連接器 | SMA female, AC coupled, 50ohm |
| 產品尺寸 | 1U rackmount, 19” x 14” x 1.75” |
| 電源 | 100 to 240 VAC |
| 前面板控制 | LCD display with button control |
| 程控接口 | RS232 via USB |
| 更多產品信息、聯系蘇州leyu集團光電科技有限公司相關銷售人員獲取。 | |
